AI Meets Rocketry: A Self-Learning Neural Network For Thrust Vector Control

Published  December 27, 2024   0
User Avatar Aswinth Raj
Author
AI Learns To Fly A Rocket

For years, people have been using PID controllers to stabilize rockets, but one hobbyist on his YouTube channel Alpha Stellar Rocketry decided to try experimenting the same, but with artificial intelligence. The result? A fully self-training, neural network-based thrust vector control (TVC) system that promises smarter and more efficient stabilization in real time.

The journey started with a basic 3D printed rocket using an Arduino Nano flight computer and parts 3D-printed on a budget setup. Early tests revealed big issues like power regulation failures and random PID values that made stability more luck than science. To fix this, the builder created a custom Python physics simulation using python, which made tuning PID values easier. While this iteration achieved brief success, a catastrophic motor failure brought it to an abrupt end.

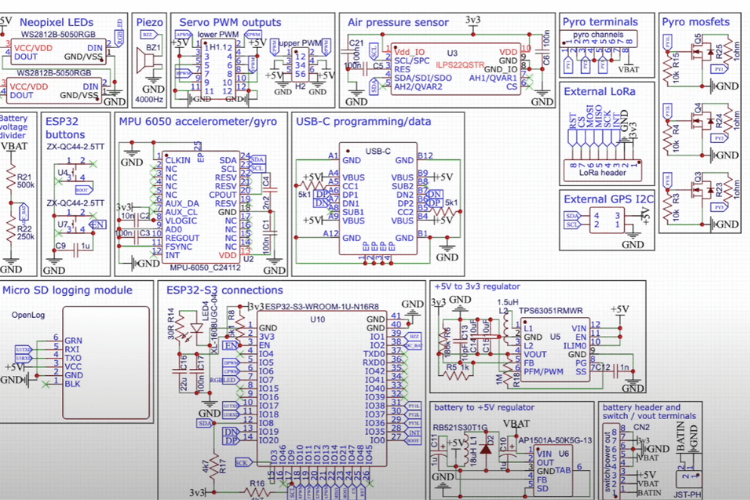
AI Learns To Fly A Rocket Schematics

Armed with lessons from the first rocket, the second version was a major upgrade. It featured a custom-designed flight computer with an ESP32-S3 processor, sensors for precise motion tracking, and a carbon-fiber motor mount for better durability. But the real star is the neural network—a system that trains itself to stabilize the rocket by simulating thousands of scenarios before launch. Once trained, the network is sent to the rocket over Bluetooth and takes control during flight.

UI Interface of Arduino Nano Project

After successful hold-down tests and two smooth launches, including one in high winds, the system has proven its worth. By swapping PID controllers for a self-learning AI, this project shows how rocketry can evolve with smarter, more autonomous technology.

Add New Comment

Login to Comment Sign in with Google Log in with Facebook Sign in with GitHub