EV Projects

A power bank is a portable rechargeable battery that allows you to connect to an external charging source when you don'…

We'll be making a 12V 2000mAh Li-ion Battery pack in this post. We'll start by designing a 3s battery pack, then…

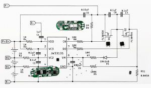
In this article, we will be learning about the features and working of a 3S 6A lithium Battery Management System or BMS…

The mileage and performance of an Electric Vehicle depends on the capacity and efficiency of its Battery…

This comprehensive BMS circuit diagram guide explains the features and working of a 4S 40A Battery Management System (BMS)…

In this article, we are going to test a 4s 40A BMS. We will first design a 4s battery pack and then attach the BMS with the…

In this article, we will see how to design a simple 12V Li-Ion battery pack and how to use it with a protection…