Teardown

A Complete Teardown & Component Level Breakdown of E88 Drone Everything You Need To Know About The E88 Drone Teardown: A Complete Component Level BreakdownE88 Drone Overview: What You Get in This Teardown

The E88 quadcopter drone is a consumer-grade quadcopter drone…

3S, 6A Lithium Ion Battery Management and Protection BMS Module Teardown of 3S, 6A Lithium Ion Battery Management and Protection Module (BMS) with Schematics, Parts List and Working

In this article, we will be learning about the features and working of a 3S 6A lithium Battery Management System or BMS…

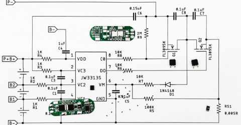
4S 40A BMS Module Lithium Ion Battery Management and Protection Module (BMS ) Teardown - Schematics, Parts List and Working

This comprehensive BMS circuit diagram guide explains the features and working of a 4S 40A Battery Management System (BMS)…