Hi everybody!
I have a water level controller, which uses a transformer to energize a 24V DC relay which switches on and off a pump. The transformer burned off, and I wonder if I can make a small switching power supply instead of use a linear one...
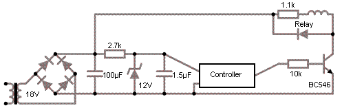
The relay resistance is about 1100 ohms; doing the math, the all circuit requires about 27 milliamps @ 24 Volts DC... how can I make a switching power supply in place of the transformer?
The controller gets no more than ( 24V -12V )/2700 ohms = 4.4mA.
I already mention the purpose, read it again more carefully. It´s mounted in a watertight frame ( maybe the reason why the transformer got burned ).
I don´t know the AC 230V consumption ( I didn't measure before the transformer get burn! ), but I estimate it's about 9mA.
In reply to The controller gets no more by helio neves
I dont see any reson for the burned transformer as per the above circuit.
However, you can use small VAC to 100mA 24V switching power supply module that is readily available to purchase. You can surely try it out.
Note that the schematic is incomplete; there's more parts missing: the probes to the well, a varistor hanged between the transformer and rectifier bridge...; but I guess it makes no difference to the matter
jaksonlee
A switched-mode power supply switching-mode power supply, switch-mode power supply, switched power supply, SMPS, or switcher is an electronic power supply that incorporates a switching regulator to convert electrical power efficiently. Like other power supplies, an SMPS transfers power from a DC or AC source to DC loads, such as a personal computer, while converting voltage and current characteristics. Unlike a linear power supply, the pass transistor of a switching-mode supply continually switches between low-dissipation, full-on and full-off states, and spends very little time in the high dissipation transitions, which minimizes wasted energy. A hypothetical ideal switched-mode power supply dissipates no power. Voltage regulation is achieved by varying the ratio of on-to-off time. In contrast, a linear power supply regulates the output voltage by continually dissipating power in the pass transistor. This higher power conversion efficiency is an important advantage of a switched-mode power supply. Switched-mode power supplies may also be substantially smaller and lighter than a linear supply due to the smaller transformer size and weight.
Switching regulators are used as replacements for linear regulators when higher efficiency, smaller size or lighter weight are required. They are, however, more complicated; their switching currents can cause electrical noise problems if not carefully suppressed, and simple designs may have a poor power factor.
Sourav Gupta
Joined February 12, 2018 696Monday at 02:11 PM
The controller uses the BC546. What is the current consumption of that controller?
What is the purpose of this circuit? Outdoor or indoor? What is the input AC rating?