
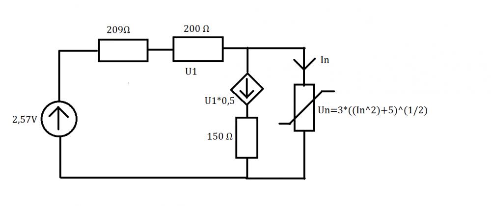
The command says "Please find the value of the In current flowing through the nonlinear resistor in the circuit below."
Hi, I'm new in electronic and I have problem with that circuit. I did what I can with that circuit and I'm stuck here. I have to calculate In but I don't know how. Could someone help me ?
In the non-linear circuit, the non-linear elements are an electrical element and it will not have any linear relationship between the current & voltage. ... Some other examples of the non-linear elements are transistors, vacuum tubes, other semiconductor devices, iron core inductors, and transformers.
Olivia Williams
Joined February 27, 2020 55Thursday at 11:08 AM
In the non-linear circuit, the non-linear elements are an electrical element and it will not have any linear relationship between the current & voltage. ... Some other examples of the non-linear elements are transistors, vacuum tubes, other semiconductor devices, iron core inductors, and transformers