Measuring voltage across an inductor

Submitted by Simon on

I have created a simple solar light circuit using a QX5252 ASIC and an inductor. My LED has a forward voltage of around 2.4 volts and lights up when the battery is connected. The battery is a 1.2 volt AAA battery so the circuit must be boosting the dc voltage as expected however when I connect a multi meter across the anode of the led and the earth on the battery I only see around 1.2 volts I would have expected to see the boosted voltage displayed 

Any ideas?

AISHA

  Joined September 07, 2017      256

Thursday at 12:15 PM

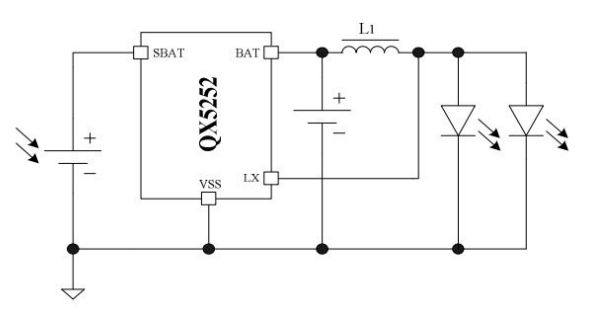
Since you have not provided an circuit diagram, I assume you are following the application circuit from the datsheet. I am pasting the same below for others to look into 

sample circuit.PNG

If this is the circuit then you need to connect a pannel and a battery (1.2V). Bascially when the sunlight is available the battery gets charges and when the sun light is out it glows the LED using the battery by boosting 1.2Vto 3V.

The value of the inductor should be 330uH if your led current consumption is 8mA or less. The more current you want for your LED the lesser should be  inductor value. The maximum output current is 50mA for which a 47uH Inductor should be used. 

The reason why you did not see a voltage boost could be beacuse the IC was in charging mode, cover the solar pannel with a black cloth and check if the IC is boosting the voltage. Else your LED might be consuming more current thus colapsing the outptu voltage, you can check this by using a smaller LED or decreasing the inductor value or measuring the output voltage under no load 

Add New Comment

Login to Comment Sign in with Google Log in with Facebook Sign in with GitHub