Hi,
Most of us in our young age might have come across this prank pen or lighter which when clicked will give a mild electric shock. I also remember my friends using a chewing gum version of it, where if you try to pull a gum out your will experience a shock.
These things are still sold on amazon and Ebay, but I want to build my own version powered with a small battery. So if anyone knows how o build one then please share the idea and provide the circuit diagram also if possible. I tried purchasing a pen from Ebay and take a look at its circuit, but the circuit was all covered with some black clay so it would also be great if some one could explain the working of shock pen or lighter circuit diagram.
Before people trash upon me, I acknowledge that this circuit I am asking for is purely for educational and prank purpose and not intended to hunt/harm any living begins.
Are you sure that these shock pens have a circuit inside? Because few months back I happened to rip apart this so called shock pen and there was not circuitry what soever inside the pink.
When we click there was small needle like arrangement which was as thin as hair and pokes into your thumb when you click the pen. This gives a pain similar to experiencing a mild shock. I am sure a transformer a capacitor and a 9V battery could never fit into a pen
Hi Astro boy!
Thanks a lot for the circuit diagram. But I cannot understand how it will work. Can you please explain its working?
As for as my knowledge is concerned the primary side of the transformer is provided with DC hence there will be no mutual induction and the transformer will not work.
Hiro_Hamada.
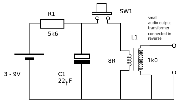
Switch opens, cap fills.
Switch closes and charge from cap dumps into transformer (no resistor so fact that change in current through inductor cannot be instantaneous is only thing to slow charge down) and (plus current from battery/resistor). This change in current at the transformer and causes induction into secondary coil. Output of secondary coil receives large voltage potential and if conductor or resistor bridges output (sweaty human skin, for example) then it will receive shock. After split second, current through inductor is constant (V/R from battery) so induction through coil no longer takes place and no more shock occurs.
Switch reopens, cap refills and current through inductor changes from V/R to 0 and another (but smaller) induction event occurs through the transformer, but this time the shock will be much less than when the switch closed because (V/R << infinite).
The shock from this circuit is more of a quick zap, whereas circuits with IC DC/AC converters will create a steady zing. Zings and zaps are technical terms that you only learn about in electrical engineering school ;).
Astro Boy
Joined August 16, 2018 3Thursday at 10:39 AM
I remember building a circuit long time back. I used a transformer with a capacitor in parallel with a 9V battery on its primary side. A switch will connect this capacitor with the primary of the transformer. The person is made to touch the secondary when the button is pressed and he experiences a mild schok.
I pulled this circuit diagram from my archives have a look at it. Hope it helps