[beginner question] Calculate currents in simple circuit (Ohm's law)

Submitted by Vascalir on

Hi,

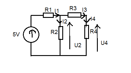
how to calculate I1, I2, I3, I4 in this circuit?

R1 = 500 Ohms
R2 = 600 Ohms
R3 = 4000 Ohms
R4 = 200 Ohms

U2 = 2,5V
U4 = 0,1V

 

ohm.png

Add New Comment

Login to Comment Sign in with Google Log in with Facebook Sign in with GitHub