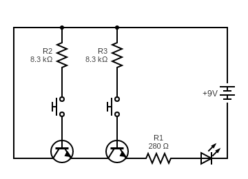
Here's an AND gate I built for practice and it's working with one quirk. Whenever I press the button closest to the LED by itself, the LED dimly lights up. I think there's enough voltage going through the transistor base/emitter to power the LED. How can I prevent that from happening? If it matters I have my calculations below.

R1 Resistance
Vin = 9V
LED = 3V drop / .02A
Transistor 1 = .2V drop
Transistor 2 = .2V drop
R1 = (9V-3V-0.2V-0.2V)/.02A = 280 Ohms
Transistor Base Current
IC = .02A
HFE(MIN) = 200
Overdrive factor = 10
IB = .02A/200(10) = .001A
R2 and R3 Resistance
VBE(sat) = 0.7
R = (9V-0.7V)/.001A = 8300 Ohms
Hi,When driving an NPN bipolar transistor (emitter to GND) with a logic gate output, most logic families have a low enough logic 0 output voltage to turn off the transistor without a pull-down resistor to GND. If you want to add one, put it between the base and GND, not the gate output and GND. Thanks!
Sourav Gupta
Joined February 12, 2018 696Monday at 02:11 PM
Increase the base current by reducing the base resistor.