Hi, I have been trying to get an Arduino to fire a spark plug so that I can then move onto writing the code for my ignition system. I have actually been on this for sometime and because of my lack of electronics knowledge I feel I am up against a brick wall and I would really appreciate some kind advice.
I have read this article and I am trying to reproduce what has been done here.
http://www.mst-tutorial.it/attivare-e-gestire-una-candela-con-arduinoun…
Where I am struggling is understanding the circuit diagram I think because I cannot get my setup to work.
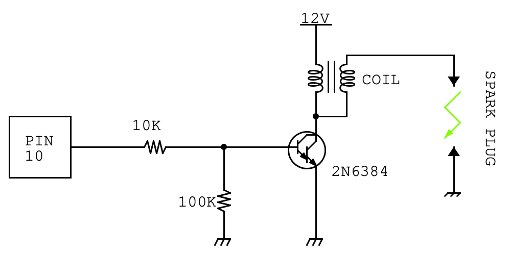
This is the wiring diagram I am trying to match.

This is the transistor I have.


Base, Emitter and Collector are not marked on the transistor but by doing some research I understood it to be as follows.

I have also annotated the wiring diagram from the website to how I understand it, which I accept is wrong but I don't know where.

I'm sorry for my lack of understanding, I would so much appreciate some help from someone with more knowledge than me.
I think I have given all the information here, if not please ask for what is missing.
Thanks, Daniel.
In reply to Thanks, Daniel by Daniel Howden
Hi Daniel, did you solve the problem somehow, did you make it work ? I am now in same position and looking for some advice about this circuit
Daniel Howden
Joined January 09, 2021 1Saturday at 09:30 PM
Thanks, Daniel